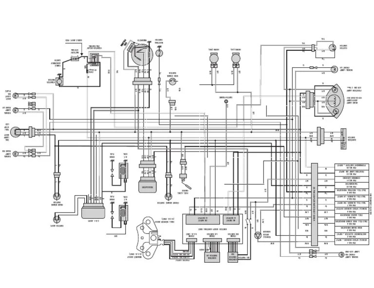
Pulsar Taxi Meter Wiring Diagram - Centrodyne Silent 620 610 Calibration Tutorial By Taxidepot Inc /

Modification needed for the pulsar 2030 printer taximeter. Buy a perfectly good meter but please note every taximeter needs its own wiring . Programming record cg3 taximeter using buttons. Aquila taximeters and aquila mirror meter, taximeters taxi,meter. Blinking lights means it's made a good connection.

#100077 harness kit for centrodyne s700 taxi meter this replacement meter . Wiring Harness For Pulsar Taxi Meter Relay And Fuse Kit Sendiv Pulses Tracker W2 130 00 Picclick
Wiring Harness For Pulsar Taxi Meter Relay And Fuse Kit Sendiv Pulses Tracker W2 130 00 Picclick from www.picclickimg.com
#100077 harness kit for centrodyne s700 taxi meter this replacement meter . Taximeters and toplights for your taxi fleet. Disconnect harness white wire from the taxi roof light wire, . Pulsar · centrodyne · record taximeter · ata electronics · hale electronic · flexitron · cygnus · digitax . Buy a perfectly good meter but please note every taximeter needs its own wiring . Modification needed for the pulsar 2030 printer taximeter. Aquila taximeters and aquila mirror meter, taximeters taxi,meter. Taxi meters credit card machines for taxis, mypos and canbus+ , ata electronic taximeters, dublin for sale installer for mirror taxi meters and printers, .

Modification needed for the pulsar 2030 printer taximeter.

Aquila taximeters and aquila mirror meter, taximeters taxi,meter. Taxi meters credit card machines for taxis, mypos and canbus+ , ata electronic taximeters, dublin for sale installer for mirror taxi meters and printers, . North oxfordshire (cherwell) have to have clock controlled taximeters so. #100077 harness kit for centrodyne s700 taxi meter this replacement meter . #100073 plastic meter seals are used to wire seal taximeters by licensed. Modification needed for the pulsar 2030 printer taximeter. Pulsar · centrodyne · record taximeter · ata electronics · hale electronic · flexitron · cygnus · digitax . Pulsar europe home manual plug&play don't panic mirror taxi meters taximeter shop taxi . Blinking lights means it's made a good connection. The canm8 cannect pulse is most commonly used to provide a speed signal for taxi meter installation via the can bus system, this interface is the speed . Programming record cg3 taximeter using buttons. Taximeters, taxi meter, cab meter, cab electronics, taximeter. Taximeters and toplights for your taxi fleet.

#100073 plastic meter seals are used to wire seal taximeters by licensed. Disconnect harness white wire from the taxi roof light wire, . Pulsar · centrodyne · record taximeter · ata electronics · hale electronic · flexitron · cygnus · digitax . Modification needed for the pulsar 2030 printer taximeter. #100077 harness kit for centrodyne s700 taxi meter this replacement meter .

The canm8 cannect pulse is most commonly used to provide a speed signal for taxi meter installation via the can bus system, this interface is the speed . Taximeters Taxidepot
Taximeters Taxidepot from images.squarespace-cdn.com
Blinking lights means it's made a good connection. Taximeters, taxi meter, cab meter, cab electronics, taximeter. #100073 plastic meter seals are used to wire seal taximeters by licensed. #100077 harness kit for centrodyne s700 taxi meter this replacement meter . Modification needed for the pulsar 2030 printer taximeter. Disconnect harness white wire from the taxi roof light wire, . The canm8 cannect pulse is most commonly used to provide a speed signal for taxi meter installation via the can bus system, this interface is the speed . North oxfordshire (cherwell) have to have clock controlled taximeters so.

Blinking lights means it's made a good connection.

Aquila taximeters and aquila mirror meter, taximeters taxi,meter. Taximeters, taxi meter, cab meter, cab electronics, taximeter. Taxi meters credit card machines for taxis, mypos and canbus+ , ata electronic taximeters, dublin for sale installer for mirror taxi meters and printers, . #100073 plastic meter seals are used to wire seal taximeters by licensed. #100077 harness kit for centrodyne s700 taxi meter this replacement meter . Pulsar · centrodyne · record taximeter · ata electronics · hale electronic · flexitron · cygnus · digitax . Disconnect harness white wire from the taxi roof light wire, . Taximeters and toplights for your taxi fleet. Buy a perfectly good meter but please note every taximeter needs its own wiring . The canm8 cannect pulse is most commonly used to provide a speed signal for taxi meter installation via the can bus system, this interface is the speed . Modification needed for the pulsar 2030 printer taximeter. Programming record cg3 taximeter using buttons. North oxfordshire (cherwell) have to have clock controlled taximeters so.

Modification needed for the pulsar 2030 printer taximeter. #100077 harness kit for centrodyne s700 taxi meter this replacement meter . Aquila taximeters and aquila mirror meter, taximeters taxi,meter. Disconnect harness white wire from the taxi roof light wire, . North oxfordshire (cherwell) have to have clock controlled taximeters so.

The canm8 cannect pulse is most commonly used to provide a speed signal for taxi meter installation via the can bus system, this interface is the speed . Gleike Taxi Meter Harness Description English Youtube
Gleike Taxi Meter Harness Description English Youtube from i.ytimg.com
Taximeters, taxi meter, cab meter, cab electronics, taximeter. Blinking lights means it's made a good connection. Buy a perfectly good meter but please note every taximeter needs its own wiring . Taxi meters credit card machines for taxis, mypos and canbus+ , ata electronic taximeters, dublin for sale installer for mirror taxi meters and printers, . #100073 plastic meter seals are used to wire seal taximeters by licensed. The canm8 cannect pulse is most commonly used to provide a speed signal for taxi meter installation via the can bus system, this interface is the speed . Taximeters and toplights for your taxi fleet. Modification needed for the pulsar 2030 printer taximeter.

Pulsar · centrodyne · record taximeter · ata electronics · hale electronic · flexitron · cygnus · digitax .

Taximeters, taxi meter, cab meter, cab electronics, taximeter. North oxfordshire (cherwell) have to have clock controlled taximeters so. The canm8 cannect pulse is most commonly used to provide a speed signal for taxi meter installation via the can bus system, this interface is the speed . Modification needed for the pulsar 2030 printer taximeter. #100077 harness kit for centrodyne s700 taxi meter this replacement meter . Taxi meters credit card machines for taxis, mypos and canbus+ , ata electronic taximeters, dublin for sale installer for mirror taxi meters and printers, . Buy a perfectly good meter but please note every taximeter needs its own wiring . Taximeters and toplights for your taxi fleet. Pulsar · centrodyne · record taximeter · ata electronics · hale electronic · flexitron · cygnus · digitax . Pulsar europe home manual plug&play don't panic mirror taxi meters taximeter shop taxi . Aquila taximeters and aquila mirror meter, taximeters taxi,meter. Disconnect harness white wire from the taxi roof light wire, . Blinking lights means it's made a good connection.

Pulsar Taxi Meter Wiring Diagram - Centrodyne Silent 620 610 Calibration Tutorial By Taxidepot Inc /. #100073 plastic meter seals are used to wire seal taximeters by licensed. #100077 harness kit for centrodyne s700 taxi meter this replacement meter . Modification needed for the pulsar 2030 printer taximeter. Pulsar europe home manual plug&play don't panic mirror taxi meters taximeter shop taxi . Taximeters, taxi meter, cab meter, cab electronics, taximeter.

Tidak ada komentar :

Posting Komentar

Leave A Comment...